지난번 시간을 통해 굴삭기운전기능사 자격증 기본 정보
https://www.focuspremium.co.kr/27
굴삭기운전기능사 자격증 필수 기본 정보
굴삭기 운전기능사는 여러가지 건설기계 중장비 운전 자격증 중에 대표적인 자격증입니다. 아래 나온 리스트의 건설기계 중장비가 모두 동일한 일정이나 시험 형태를 가지고 있지는 않습니다.
www.focuspremium.co.kr
지게차운전기능사 자격증 기본 정보
https://www.focuspremium.co.kr/28
지게차운전기능사 자격증 필수 정보
굴삭기와 마찬가지로 지게차운전기능사는 여러가지 건설기계 중장비 운전 자격증 중에 대표적인 자격증입니다. 아래 나온 리스트의 건설기계 중장비가 모두 동일한 일정이나 시험 형태를 가지
www.focuspremium.co.kr
https://www.focuspremium.co.kr/29
로더운전기능사 자격증 취득 기본 정보
지난번 시간을 통해 굴삭기운전기능사 자격증 기본 정보 https://www.focuspremium.co.kr/27 굴삭기운전기능사 자격증 필수 기본 정보 굴삭기 운전기능사는 여러가지 건설기계 중장비 운전 자격증 중에
www.focuspremium.co.kr
오늘은 기중기운전기능사 자격증에 대해서 살펴보겠습니다.
아래 나온 리스트의 건설기계 중장비가 모두 동일한 일정이나 시험 형태를 가지고 있지는 않습니다.
지게차와 함께 굴삭기는 시험일정이 상시에 해당되며, 로더 및 기중기 중장비는 정기 일정이라 시험 횟수가 많지는 않습니다.

오늘은 기중기운전기능사 자격 시험에 대한 가장 기본적인 하지만 반드시 알면 도움되는 시험방법에 대해서 안내해 드리겠습니다.

기중기운전기능사 자격증이란?
기중기를 운전하여 안전하게 코스 주행 및 작업을 할 수 있는 능력을 평가
응시자격
나이, 학력 제한없이 누구나 응시 가능
시험방법
1차 필기시험 => 2차 실기시험
시험일정
연간 약 4회
시험수수료
필기: 14,500원, 실기: 30,600원
필기시험
총 문항수: 객관식 60문항 (건설기계기관, 기중기작업장치, 유압일반, 건설기계관리법 및 도로통행, 안전관리등)
시험시간: 60분
합격기준: 100점 만점 중 60점 이상 합격(60문항 중 36문항)
실기시험
시험방법: 작업형 (코스주행 및 기중기 작업)
시험시간: 기계식: 8분, 유압식: 6분
합격기준: 100점 만점 중 60 점 이상 합격
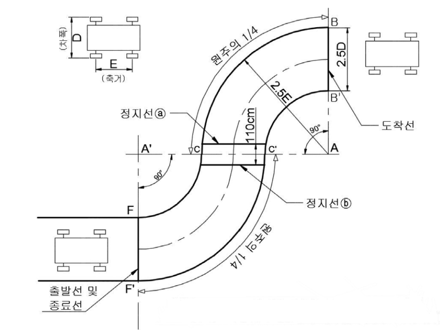
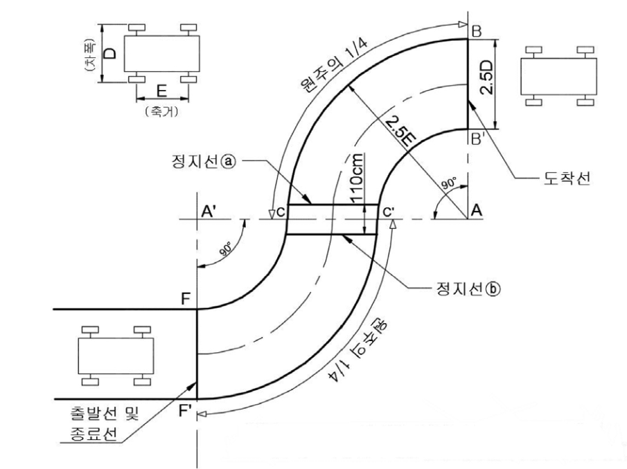
기계식 및 유압식 코스 주행

- 기중기에 탑승하여 주어진 도면의 정지선 사이까지 전진 후 일시 정지합니다.
- 도착선까지 전진 후 후진을 하여 종료선을 통과하여 장비를 원위치 시킵니다.

- 크람셀-크람셀로 지면 A에 있는 흙을 굴착하여 장애물을 통과하여 C지점에 도달하였다가 정지 후 다시 장애물을 통과하여 A에 흙을 쏟아냅니다.
- 훅작업- A지점에서 드럼을 들어서 장애물을 통과 후 C지점 안에 내렸다가 다시 드럼을 들어서 장애물 사이를 통과하여 A안에 내려놓습니다.

관련 분야 자격증
로더운전기능사, 롤러운전기능사, 굴삭기운전기능사, 지게차운전기능사, 불도저운전기능사, 천장크레인운전기능사, 컨테이너크레인운전기능사 등
관련 취업 분야
건설기계정비업, 건설업, 중공업, 건설기계대여업, 관련 교육훈련기관 등
2020년 합격 현황

'자격증 > 로더 기중기 외' 카테고리의 다른 글
| 컨테이너크레인운전기능사 자격증 필수 기본 정보 (2) | 2021.06.30 |
|---|---|
| 천장크레인운전기능사 자격증 필수 기본 정보 (1) | 2021.06.28 |
| 불도저운전기능사 필수 기본 정보 (0) | 2021.06.27 |
| 롤러운전기능사 자격증 필수 기본 정보 (0) | 2021.06.25 |
| 로더운전기능사 자격증 취득 기본 정보 (2) | 2021.06.19 |
댓글